Abstammung - Pedigree - Stammbaum
|
Die Beebreed-No. für Mellifera Schweiz stellt sich wie folgt zusammen: 50; Züchter: xyz ; A-BS: u (1 bis 6, je nach BS); Journal: abcd (4-stellig) falls No. nicht 4-stellig, dann mit Nullen anfangen: Bsp. 0012; Jahr: kpl., 2014 Herzliche Grüsse Balser Fried |
Zuchtkarten mit Anpaarungen
|
Mellifera-Linie: Nigra Koch Mauensee; sehr ursprüngliches Zuchtmaterial, sehr vital; F. Sutter Heute weitergezüchtet von der Züchtergruppe ‚Nigra-Sarganserland‘, DNA-Hybridtest bestanden! |
Anleitung Online-Dateneingabe ZWS in Beebreed
anleitung_dateneinabe_beebreed.pdf [893 KB]
|
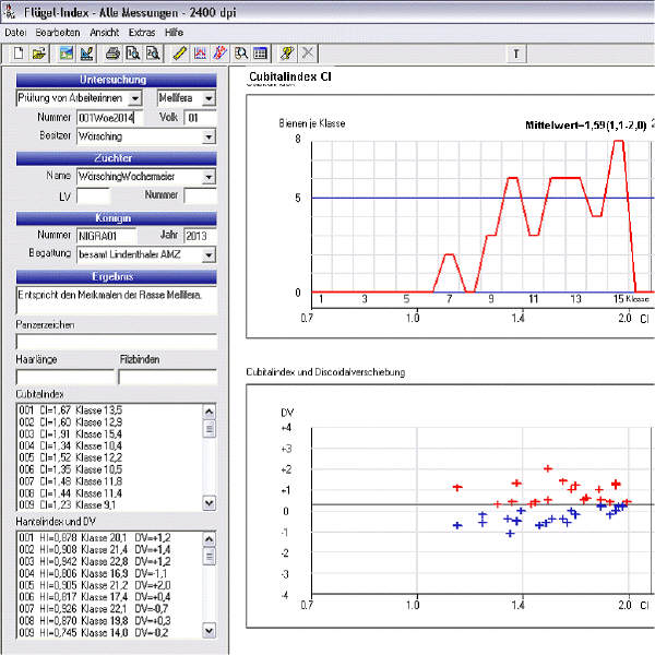
ARTENSCHUTZ— Erhaltungszucht durch instrumentelle Besamung [I.B.] Design reiner Mellifera-Linien (Rassen-Reinzucht) durch Anpaarung handverlesener Mellifera-Drohnen nach deren Körung (Morphometrie). Jeder einzelne Drohn wird stimuliert bis er ausstülpt. Dann wird er auf eine sterile Unterlage abgelegt, ein Flügel abgeschnitten und mit einem Mikroskop mit Strichplatte vermessen. Mischerbige werden verworfen, bei reinerbigen wird das Sperma für Besamungen aufgezogen. |
Copyright © 2003-2015 by Roland Wörsching.www.apis- mellifera-mellifera.de; www. mellifera-dunkle-biene.de; www.dunkle-biene.de. Alle Rechte vorbehalten.
